- 产品规格
- 热销机型比较
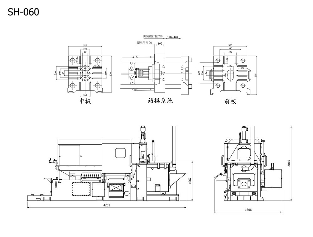
- 规格尺寸
| SH-60 热室压铸机 | |||||
|---|---|---|---|---|---|
| 项目 | 单位 | SH-60 | |||
| 锁模力 | ton | 70 | |||
| 导桿外径 | mm | 60 | |||
| 机板尺寸 (WxH) | mm | 520×540 | |||
| 柱轴内空间 (WxH) | mm | 330×330 | |||
| 开关模行程 | mm | 230 | |||
| 模具厚度 | mm | 120~420 | |||
| 脱座行程 | mm | 180 | |||
| 顶出力 | ton | 5 | |||
| 顶出行程 | mm | 70 | |||
| 射出力 | ton | 5 | |||
| 射出行程 | mm | 130 | |||
| 射料柱塞外径 | mm | 45 | 50 | ||
| 最大铸造压力 | kgf/cm² | 314.5 | 254.7 | ||
| 最大铸造面积 | cm² | 222.5 | 274.8 | ||
| 最大射出质量 | g | 1000 | 1200 | ||
| 射料嘴位置 | 中心模 | mm | 0 | ||
| 偏心模 | mm | -60 | |||
| 可调整 | mm | 0;-60 | |||
| 熔锅容量 | kg | 280 | |||
| 系统压力 | kg/cm² | 100 | |||
| 中子阀 | pcs | 1 | |||
| 液压油容量 | l | 200 | |||
| 电力 (马达) | hp | 15 | |||
| 机器重量 | ton | 4.5 | |||
| 机器尺寸 (LxWxH) | cm | 426×180×201 | |||
| SH-40 | SH-100 | SH-160 | SH-250 | SH-350 | |
|---|---|---|---|---|---|
| 锁模力ton | 50 | 110 | 170 | 270 | 350 |
| 射出力ton | 4 | 8.6 | 12.2 | 13 | 18.47 |
| 柱轴内空间mm | 280x280 | 385x385 | 460x460 | 540x540 | 580x580 |
| 模具厚度mm | 100~400 | 150~500 | 150~500 | 200~550 | 250~650 |
| 最大射出重量g | 750~950 | 1600~1800 | 2600~2900 | 4000~4300 | 4000~4970 |









